Pulse Counter

The pulse counter adds the pulses of the S0-interface, the arbitrary KNX-telegrams or the operation time of EIBPORT. S0-interfaces have every EIBPORT version 3, up from august 2012, as a standard feature. In case you like to upgrade your EIBPORT version 3 with a S0-interface, please contact info@bab-tec.de.
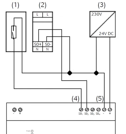
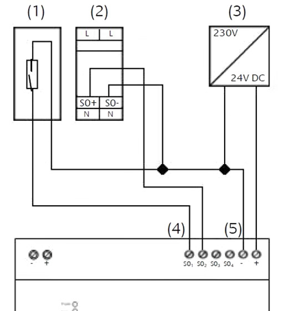
To count pulses of a S0-interface, it is necessary to connect them correctly. Please consider following wiring diagram:

S0-connection schematic
(1) Reed-contact to be placed on the counter.
(2) e.g., ELTAKO Single-phase Energy Meter WSZ12D-32A
(3) Power Supply 24V DC
(4) S0 pulse input terminal for analysing measured value
(5) Terminal for S0 pulse input Power Supply 24V DC
The access to several S0-interfaces takes place in the job mask by respective menu.
Job configuration
To apply a new pulse counter job, either button in menu bar of job editor or the right click on the job container (βpulse counterβ) can be used. In case, that you haven`t use a S0 interface, you can utilize the job for counting KNX-telegrams or for counting the operation time of EIBPORT (βpower on timeβ)
Job Name
Required field. Assign a unique name for the job. The name must not contain more than 15 characters.

Job Editor Classic - Job mask pulse counter
Release object
By release object, job will be released or blocked. It is an EIS1 object.
Group address not assigned = Job released
Group address registered, value 1 = Job released
Group address registered, value 0 = Job blocked
Group address registered, no value = Job blocked
As soon as one address was entered in the field, release will work accordingly to the group addressβs value. When no value was sent to the address up to this point and therefore address is without a value, job will be blocked.
Source
Here please define the source of pulses, which shall be counted. For selection:
KNX: Job will count the number of an arbitrary KNX telegram (thereby data type doesn`t play any role).
S0 #1 -#4: Job will count So-pulses of the So-terminals connected units. Numbering β#1-#4β is the result of the unit`s labelling. By connecting So-units, please consider wiring diagram as shown above.
Power on timer: In this case, job will reproduce operating time in seconds of EIBPORT since its initial commissioning.
By source selection, differences arise for the choice of parameters. These are marked in the description of parameters and will be greyed out in the job mask by configuration.
Parameter
All parameters of the pulse counter jobs in job mask are described top down as follows. One illustration example of a configuration, you will find at the end of this chapter.
Input address
This field will be enabled only by source selection βKNXβ. The numbers of telegrams are counted which will reach this group address. Thereby, EIS-type (data type) is not relevant.
Value request
This object serves for the request of actual count and state values. This object can include one arbitrary data type, only the input of a telegram will be rated. Requested values will be sent to the objects βCounterβ and βValueβ (see Description further down).
Watchdog Interval / Watchdog Output
If no pulse will receive the source βInput addressβ (KNX) or βS0β (So#1-#4) during this interval, job will sent out a telegram to the output βWatchdog outputβ to notify one faulty or misconfiguration.
Prescaler
The pre-scaler can be used to convert directly between the units. If, for example, a pulse counter gives a pulse per Wh then this can be converted directly into kWh with a pre-scaler of 1000.
Main counters settable?
This field only will be enabled by the source selection βKNXβ or βSo #1- So #4β. If this flag is set, the unscaled counter value of the main counter can be set to an arbitrary value, by the help of the object βcounter settingβ. Also see the description of βcounter settingβ.
ZZ reset value
The intermediate counter (ZZ) will be reset to the here entered value, as soon as an EIS1 telegram will be detected on the group address under menu βZZ resettingβ. See also βZZ resettingβ.
Transmission only by modification
This field will be enabled only by source selection βKNX β or βS0#1 β S0#4β. If this flag is active, job will send values as soon as they were modified towards previous values. Please consider here the specification of the pre-scaler. Is the actual value of the pre-scaler = β1β, counter will reproduce every pulse, because the counter value changes after every pulse. But is the actual value of the pre-scaler = β10β, counter value will alter after every 10th pulse, in order that, the sending will happen only then. Did you select βpower on timerβ for the source, the menu item βSending only in case of change β can`t be used. This option can be adjusted separately for main or intermediate counters.
Periodically transmission
By setting this flag, job sends initial values periodically in an interval, which was preadjusted under menu item βtransmission intervalβ. This option you can be adjusted separately for main or intermediate counters.
This option can be adjusted separately for main or intermediate counters.
Transmission interval
Please enter here the interval in seconds, in which job will send out initial values. Transmission interval can be adjusted separately for main or intermediate counters.
Counter setting
This field will be enabled only by source selection βKNX β or βS0#1 β S0#4β. By this object, main counter can be reset to desired value as soon as flag βmain counter settableβ is activated. In doing so, data type of the object refers on the data type, which are adjusted in the job for the unscaled counter values (βCounter EISβ). That only applies for the main counter. The intermediate counter only could be reset, see βZZ reset valueβ and βZZ resettingβ.
Counter
By help of the entered group address here, the unscaled counter value will be sent with the also selected data type. The data type can be defined in the field below βCounter EISβ. Main und intermediate counter must get different group addresses.
Counter EIS
Please select here the data type for the unscaled counter value, which will send to the group address in field above. Possible data types are:
EIS 10u (2 byte value unsigned) = value from 0 - 65.535
EIS 11u (4 Byte Wert unsigned) = value from 0 - 4.294.967.295
EIS 14u (1 Byte Wert unsigned) = value from 0 - 255
This option can be adjusted separately for main or intermediate counters.
Value
By the help of the used group address here, the scaled counter value is sent. In the process the βvalueβ will be multiplied by the βfactor of valueβ and added with βvalue offsetβ Data type will be defined by βvalue EISβ. Main and intermediate counter must get different group addresses.
Value EIS
Please enter here data the type of the value, which will sent out by the group address in field βvalueβ It is a matter of a scaled counter value. Possible data types are:
EIS 5 (2 byte floating point value)
EIS 9 (4 byte floating point value)
This option can be adjusted separately for main or intermediate counters.
Factor value / Offset value
To get the scaled counter account βvalueβ, the value of the counter has to be multiplied with factor und added with offset. This option can be adjusted separately for main or intermediate counters.
Example: To convert an unscaled counter value (Wh pulses) to KWh, a factor of βo,001β has to be filled in.
Overflow
According to selection of data type, the unscaled counter value βcounterβ exceeds the maximum value. These are for EIS 14 = 255, for EIS 10 = 65535 and for EIS 11 = 4.294.967.295. If these values are exceeded, counter will restart from zero. Simultaneously one EIS 1 telegram with value of β1β will be sent to the group address βOverflowβ , to inform of counting in the overflow.
ZZ counting direction
This field is unique to the intermediate counter (ZZ). By an EIS 1 telegram to this group address, the counting direction can be adjusted. Thereby it is valid:
Value β1β = intermediate counter enumerates forwards
Value β0β = intermediate counter enumerates backwards
Please note: If the group address has not got a value, object will work as a value of β0β, the intermediate counter also will enumerate backwards.
ZZ reset
This field is unique to the intermediate counter (ZZ). By an EIS 1 telegram with value β1β, intermediate counter can be reset to the under βZZ reset valueβ determined value. A telegram with value β0β has no function.
ZZ start / stop
This field is unique to the intermediate counter (ZZ). The intermediate counter can be started or stopped by an EIS1 telegram to this group address. Thereby it is valid:
Valueβ1β = intermediate counter starts
Value β2β = intermediate counter stops
Example: Measuring energy consumption
To use pulse counter job for a counter of energy consumption in kWh, example configuration might look as follows:
Please connect the pulser to the So terminal of EIBPORT (see connecting diagram). The pulser is connected for example to So #1 und will send a pulse for every Wh.
Please change the job mask and apply a new pulse counter job with following parameters:
Source= S0 #1
Pre-scaler = 1
ZZ reset value = 0
Transmit by modification of HZ = ON
Counter = 16/0/1
Counter EIS = EIS 11u
Value= 16/0/2
Value EIS = EIS 9 FP
Value factor = 0.001
Value offset = 0

Example configuration pulse counter job
In order that, pulse counter enumerates Wh pulses of the unit, connected to S0#1 and will reproduce unscaled counter values (number of pulses) of GA16/0/1. To the address 16/0/2, the scaled counter value (also number of pulses multiplied with 0.001) will be reproduced. Because of factor 0.001, it isn`t about Wh, but KWh.